怀功电磁50年电磁吸盘研发和制造经验沉淀

手机:15618648888 联系人:陈(先生) 企业QQ:40034081 传真:021-39003865 邮箱:hg@shxipan.com 地址:上海市奉贤区南桥镇望民路52号
电磁吸盘是电磁夹具,它的原理是当电磁线圈通电后吸盘体就会有磁性吸力,以此来固定被加工物品物件。电磁吸盘的使用最早开始用在磨具磨床上,初级的电磁吸盘结构比较简单,只能固定在平板式的工件,随着技术的进步,电磁吸盘的吸盘磁力吸力、加工精度、使用性能、作业效率上有了质的飞越;
那么如何正确的购买电磁吸盘呢?最重要的是要学会查看电磁吸盘电路图与说明,适合自己的才是最好的电磁吸盘;
一:如何正确的购买电磁吸盘
1、首先要明白我购买的电磁吸盘用在什么地方,了解我现在使用的设备特性,才能有针对性的挑选适合自己的电磁吸盘,如圆台磨床;

2、当了解自己想使用在哪个地方的时候,就要开始关注我购买的电磁吸盘所对应的有哪些功能,使用寿命,吸盘材质,以及售后服务。至于哪里生产的电磁吸盘好?每个人的观点看法不一样,仁者见仁智者见智,最关键的是您所购买的电磁吸盘一定是要正规厂家生产的,或是正规吸盘品牌代理商的产品;

3、关注电磁吸盘价格,人人多想买到价廉物美的吸盘;但是经常会遇到这样的一个问题:为什么同样的电磁吸盘价格不一样?
原因一:该产品是真正的物超所值,有可能商家为了完成本年的产能目标,做的优惠活动;
原因二:就有可能是电磁吸盘生产的成本高,用的多是上等的原材料进行生产加工,一分钱一分货这个道理一定要明白。电磁吸盘市场行业竞争非常激烈,打价格战是每个吸盘厂家都会经历的问题。
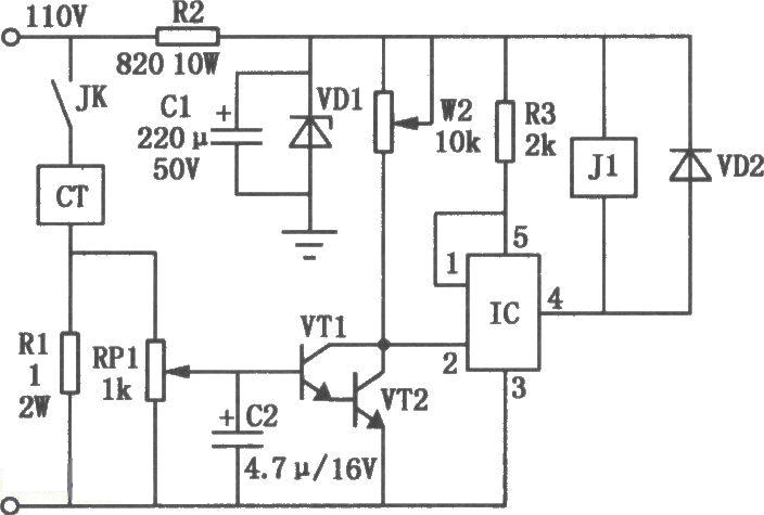
二:正确学会查看电磁吸盘电路图与说明
购买电磁吸盘时候不仅是我上面提到的了解自己使用的地方和吸盘的材质和服务以及电磁吸盘价格问题,最重要的是我买的吸盘能够兼容到我的设备上,所以就必须学会查看电磁吸盘电路图与说明,购买前可以让电磁吸盘厂家提供方案和本次我购买的吸盘所附带的:吸盘使用说明书、图纸说明、看电路系统图;

1、阅读电磁吸盘说明书:了解电磁吸盘的结构原理、电气传动方式、以及对电气控制的基本要求、电动机和电子电器元件的布置情况说明以及电磁吸盘的各种开关按钮、使用操作方法等。
2、阅读电磁吸盘电路图说明:当拿到电磁吸盘的电路图图纸后首先要看电路图图纸说明,了解吸盘电路设计的布置内容和接下来的施工要求,抓重点。图纸说明包括电磁吸盘的图纸目录、技术说明、电子元器件明细表和施工说明等。

3、学会查看系统图:看图纸说明后,就要看概略图,在看电磁吸盘电路图纸的时候还要多多注意标题栏,全方位了解电气图的名称及标题栏中的有关注意标识内容。只有明白对电磁吸盘电路的基础知识,才能对该电气图的类型,性质、作用等有明确的认识后就可以放心大胆的购买电磁吸盘啦。
三:电磁吸盘厂家重点推荐十二款优质产品,欢迎点击浏览 》》》电磁吸盘
总结:采购电磁吸盘和采购其他的大众消费品不同,只有正确的了解自己的需求和电磁吸盘厂家的电路图及说明书后才能买到自己满意的电磁吸盘;