

1、将工件摆放到圆形放射永磁吸盘工作台面上,然后将扳手插入轴孔内沿顺时针方向转动180°到"ON",即可吸住工件进行加工。
2、工件加工完结,再将扳手插入轴孔内沿逆时针转动180°到"OFF",即可取下工件。
3、吸盘使用前应擦干净表面以免划伤影响精度。
4、使用环境温度在-40℃-50℃,严禁敲击,以防磁力降低。
5、用完后工作面涂防锈油,以防腐蚀。

【特别说明】
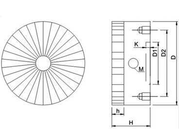
1、因各家圆形放射永磁吸盘产品定制规格不同,产品大小形状各有差异,产品以实物为准。
2、因型号规格不同,市场经常波动,实际价格以当时合同为准。
【温馨提示】
我公司圆形放射永磁吸盘系列众多,针对性不同,请您参考选型指南对照选型。


圆形放射永磁吸盘相关视频









