怀功电磁推荐:自动永磁起重器,电永磁吸盘,起重电磁吸盘,电磁除铁器!

磁力吸盘制造厂家

怀功电磁50年电磁吸盘研发和制造经验沉淀

电磁吸盘厂家电话
联系厂家
全国服务热线:021-39003835

手机:15618648888
联系人:陈(先生)
企业QQ:40034081
传真:021-39003865
邮箱:hg@shxipan.com
地址:上海市奉贤区南桥镇望民路52号

真空吸盘资讯当前位置:主页 > 新闻动态 > 产品资讯 > 真空吸盘资讯

2021真空吸盘厂家 花键轴金属缓冲的真空吸盘原理详图纸

发布时间:2025-5-20 17:20:10  来源:怀功电磁  访问:4,420 次

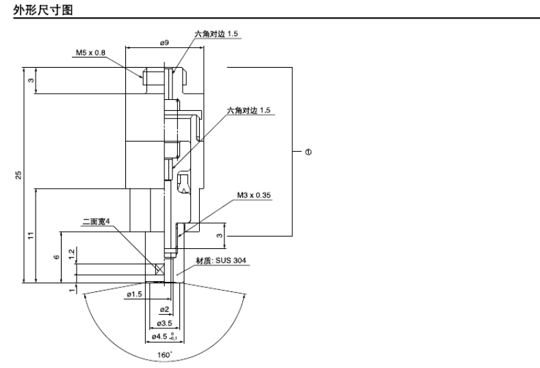
一:带花键轴缓冲的真空吸盘
缓冲部上使用球化键导向,真空吸盘实现高精度不回转;

附:真空吸盘原理详图纸
带花键轴缓冲的真空吸盘原理详图纸
带花键轴缓冲的真空吸盘原理细节详图纸
带花键轴缓冲的真空吸盘原理型号详图纸
 
二:带缓冲的金属真空吸盘
①真空吸盘提高吸着位置精度的提高;
②由于有缓冲架构的真空吸盘对缓和对工具的冲击;
③真空吸盘能有效防止带静电时的脱离不良和工件破损;

附:真空吸盘原理详图纸

带缓冲的金属真空吸盘原理详图纸
带缓冲的金属型号真空吸盘原理详图纸


推荐 · 除铁器产品更多产品 >>